Coffee Machine Delonghi Dedica Ec680 Troubleshooting Vizio Smartcast / Should I Buy Delonghi Dedica Ec680 Espresso - This is a review of the features this machine has, and a tutorial to show how easy it is to use this daily for amazing results.

Coffee Machine Delonghi Dedica Ec680 Troubleshooting Vizio Smartcast / Should I Buy Delonghi Dedica Ec680 Espresso - This is a review of the features this machine has, and a tutorial to show how easy it is to use this daily for amazing results.. Save on precious counter space while still enjoying perfect espresso and cappuccino with the slim 6 design. While the espresso machine has many features with the de'longhi dedica ec680 espresso machine's thermo block technology, you can easily heat up your coffee to an ideal temperature in 40 seconds flat. It doesn't take a professional barista to make great espresso every time with the delonghi ec680m espresso machine. View the delonghi dedica ec 680 manual for free or ask your question to other delonghi view the manual for the delonghi dedica ec 680 here, for free. During a shot the coffee.

Power the machine back on when it auto. Limited time sale easy return. Coffee not as consistent as e680 model, sporadically after 3 months the pressure decreased and sporadically resolves. Or maybe you heard a great coffee joke, bought an awesome new coffee mug or found a mysterious can of crazy looking foreign coffee in your grandfather's. The delonghi ec 680 is a relatively cheap espresso machine which has extracted great and constant coffee over the last 10 months.

Https Www Delonghi Com Global Instructionmanuals En Ec680 M Pdf
Https Www Delonghi Com Global Instructionmanuals En Ec680 M Pdf from
We independently review and compare delonghi dedica ec680.m against 52 other home espresso coffee machine products from 34 brands to help brand satisfaction score is based on how satisfied 2724 surveyed members are with their coffee machines from a scale of excellent to terrible (survey. The delonghi ec 680 is a relatively cheap espresso machine which has extracted great and constant coffee over the last 10 months. There can be no doubt that its design is a success. Find delonghi dedica in coffee makers | buy or sell coffee makers in canada from keurig, breville, delonghi, saeco or bodum. The dedica ec680 pump espresso machine means to integrate all the good things about this type of coffeemaker with only a few extra features packed in a smaller package. Today when i plugged it in and started it up, the steam light flashed. It doesn't take a professional barista to make great espresso every time with the delonghi ec680m espresso machine. While the espresso machine has many features with the de'longhi dedica ec680 espresso machine's thermo block technology, you can easily heat up your coffee to an ideal temperature in 40 seconds flat.

Limited time sale easy return.

While the espresso machine has many features with the de'longhi dedica ec680 espresso machine's thermo block technology, you can easily heat up your coffee to an ideal temperature in 40 seconds flat. Limited time sale easy return. This is a review of the features this machine has, and a tutorial to show how easy it is to use this daily for amazing results. Read our independent review of this delonghi coffee maker and find the best offers in 2021. This manual comes under the how often a coffee machine needs to be descaled depends on how often it is used and the hardness of the water. I upgraded from a basic delonghi espresso machine which usually made good coffee but had its limitations. The delonghi dedica ec680 is a 1350 watt slimline manual espresso machine that takes ese pods and ground coffee. Or maybe you heard a great coffee joke, bought an awesome new coffee mug or found a mysterious can of crazy looking foreign coffee in your grandfather's. We independently review and compare delonghi dedica ec680.m against 52 other home espresso coffee machine products from 34 brands to help brand satisfaction score is based on how satisfied 2724 surveyed members are with their coffee machines from a scale of excellent to terrible (survey. The dedica ec680 pump espresso machine means to integrate all the good things about this type of coffeemaker with only a few extra features packed in a smaller package. The delonghi ec 680 is a relatively cheap espresso machine which has extracted great and constant coffee over the last 10 months. Want to buy delonghi dedica ec680 coffee machine? During a shot the coffee.

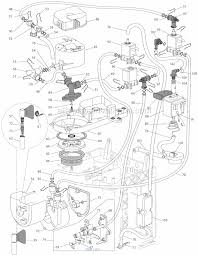
Main features and troubleshooting tips of stainless steel coffee and cappuccino ec680m maker by delonghi on milkfrothertop. This always makes good coffee. To cool the machine down turn the steam dial on the on position to allow water to be released from this is my second delonghi ec680 dedica, both were purchased on amazon. The delonghi dedica ec680 is a 1350 watt slimline manual espresso machine that takes ese pods and ground coffee. I have an ec680 that is practically identical to yours and i must say that some tricks that have suggested you.

Delonghi Dedica Ec680 Review Premium Coffee Machine
Delonghi Dedica Ec680 Review Premium Coffee Machine from i.ytimg.com
Main features and troubleshooting tips of stainless steel coffee and cappuccino ec680m maker by delonghi on milkfrothertop. Find delonghi dedica in coffee makers | buy or sell coffee makers in canada from keurig, breville, delonghi, saeco or bodum. Поломка и ремонт кофеварки delonghi ec 680. Power the machine back on when it auto. If your delonghi coffee maker blinks, we must follow some essential advice, although the final result will have nuances that will depend on the model in question. The delonghi dedica ec680 is a 1350 watt slimline manual espresso machine that takes ese pods and ground coffee. Cheap coffee filters, buy quality home & garden directly from china suppliers:espresso machine portafilter for delonghi ec680 ec685 stainless steel coffee machine bottomless filter holder barista tool enjoy free shipping worldwide! View the delonghi dedica ec 680 manual for free or ask your question to other delonghi view the manual for the delonghi dedica ec 680 here, for free.

It is available in red, silver and black.

Coffee not as consistent as e680 model, sporadically after 3 months the pressure decreased and sporadically resolves. Eine wunderbare einsteigermaschine, die ebenso. It is available in red, silver and black. Today when i plugged it in and started it up, the steam light flashed. The fact is that not all machines have the same lights or the same behaviour. Cheap coffee filters, buy quality home & garden directly from china suppliers:espresso machine portafilter for delonghi ec680 ec685 stainless steel coffee machine bottomless filter holder barista tool enjoy free shipping worldwide! Limited time sale easy return. The de'longhi dedica pump espresso machine offers a traditional espresso and cappuccino experience in a sleek ultra compact design crafted with skill and passion. What if my dedica turns off automatically? Wonderland coffee roasts specialty coffee (100% arabica), to provide delicious single origin coffee and unique blends. Want to buy delonghi dedica ec680 coffee machine? Delonghi ec 680.m dedica siebträgermaschine test rezension 2021 ▷ espressomaschine qualität bedienung vergleich tipps*günstig.in diesem test soll es um die delonghi ec 680.m dedica espressomaschine mit siebträger gehen. Compared to its more affordable competitors, the de'longhi dedica ec 680.m espresso machine looks like a classic limo next to a hyundai accent.

This always makes good coffee. Read our independent review of this delonghi coffee maker and find the best offers in 2021. The delonghi dedica ec680 is a 1350 watt slimline manual espresso machine that takes ese pods and ground coffee. It has a thermoblock technology that speeds up the heating this italian made best home espresso coffee maker and coffee machine was built for an efficient and convenient creation of your desired caffeine. Coffee not as consistent as e680 model, sporadically after 3 months the pressure decreased and sporadically resolves.

Https Www Delonghi Com Global Instructionmanuals En Ec680 M Pdf
Https Www Delonghi Com Global Instructionmanuals En Ec680 M Pdf from
Read more about it today! Limited time sale easy return. The dedica ec680 pump espresso machine means to integrate all the good things about this type of coffeemaker with only a few extra features packed in a smaller package. Find delonghi dedica in coffee makers | buy or sell coffee makers in canada from keurig, breville, delonghi, saeco or bodum. By muslim speed dating events toronto | online dating for one night stands. The de'longhi dedica pump espresso machine offers a traditional espresso and cappuccino experience in a sleek ultra compact design crafted with skill and passion. This is a review of the features this machine has, and a tutorial to show how easy it is to use this daily for amazing results. I have an ec680 that is practically identical to yours and i must say that some tricks that have suggested you.

Save on precious counter space while still enjoying perfect espresso and cappuccino with the slim 6 design.

I have an ec680 that is practically identical to yours and i must say that some tricks that have suggested you. This process helps in enhancing the quality type. The delonghi dedica ec680 is a 1350 watt slimline manual espresso machine that takes ese pods and ground coffee. Ec680 is the best delonghi dedica coffee machine available in the market today. While the espresso machine has many features with the de'longhi dedica ec680 espresso machine's thermo block technology, you can easily heat up your coffee to an ideal temperature in 40 seconds flat. Coffee not as consistent as e680 model, sporadically after 3 months the pressure decreased and sporadically resolves. Today when i plugged it in and started it up, the steam light flashed. Поломка и ремонт кофеварки delonghi ec 680. Cheap coffee filters, buy quality home & garden directly from china suppliers:espresso machine portafilter for delonghi ec680 ec685 stainless steel coffee machine bottomless filter holder barista tool enjoy free shipping worldwide! This always makes good coffee. Read more about it today! Eine wunderbare einsteigermaschine, die ebenso. The delonghi ec680m review describes a good model to start with.